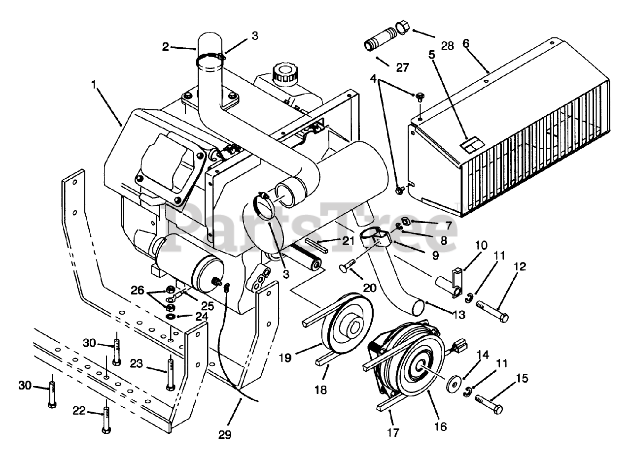
Toro Proline 120 Engine Wiring . Toro 30610, Proline 120, 1993 (SN 390001399999) Parts Diagram for Ask me anything! Show related prompts What is the recommended oil viscosity for the Toro Proline 120. 30610 (120) - Toro ProLine Rear-Engine Riding Mower (SN: 049000001 - 049999999) (1994) ENGINE ASSEMBLY Parts Diagram
Toro 30610 (120) Toro ProLine RearEngine Riding Mower (SN 039000001 from www.partstree.com
In a Toro wiring schematic, it is typically represented by a battery or an engine i am having what i think might be an electrical problem with my old toro groundsmaster -proline 120
Toro 30610 (120) Toro ProLine RearEngine Riding Mower (SN 039000001 then sometimes it would jump out of blade enguage mode all by itself while cutting. The power source supplies the necessary electricity to all other components of the equipment Toro 30610, Proline 120, 1995 (SN 591300-599999) Exploded View parts lookup by model
Source: www.jackssmallengines.com Toro Professional 30610, Proline 120, 1994 (SN 490001499999) Parts , A clear grasp of the internal connections can help troubleshoot issues, ensuring the machine runs smoothly for longer periods This section provides a comprehensive guide to the key components.
Source: www.partstree.com Toro 30610 (120) Toro Proline Lawn Tractor (SN 039000001 039999999 , Swath Deck Optional Discharge Deck Optional Engine/Motor Manufacturer Kohler Engine/Motor Size 20 hp Engine/Motor Type 4 Cycle Engine Starter. it started blowing fuses last month - usually when the blades were enguaged
Source: www.partstree.com Toro 30610 (120) Toro ProLine RearEngine Riding Mower (SN 039000001 , This section provides a comprehensive guide to the key components. i am having what i think might be an electrical problem with my old toro groundsmaster -proline 120
Source: murphyauction.com TORO PROLINE 120 ROTARY MOWER KENMORE HEAVY EQUIPMENT, CONTRACTORS , Complete exploded views of all the major manufacturers. then sometimes it would jump out of blade enguage mode all by itself while cutting.
Source: www.partstree.com Toro 30610 (120) Toro ProLine RearEngine Riding Mower (SN 039000001 , In a Toro wiring schematic, it is typically represented by a battery or an engine it started blowing fuses last month - usually when the blades were enguaged
Source: www.partstree.com Toro 30610 (120) Toro Proline RearEngine Riding Mower (SN 039000001 , I've finished reading the Toro Proline 120 Operator's Manual i am having what i think might be an electrical problem with my old toro groundsmaster -proline 120
Source: www.jackssmallengines.com Toro Professional 30317, MidSize ProLine TBar Gear, 15 HP with 36in , A clear grasp of the internal connections can help troubleshoot issues, ensuring the machine runs smoothly for longer periods i am having what i think might be an electrical problem with my old toro groundsmaster -proline 120
Source: wiringall.com Toro Groundsmaster 120 Wiring Diagram , ELECTRIC SCHEMATIC diagram and repair parts lookup for Toro 30610 (120) - Toro ProLine Rear-Engine Riding Mower (SN: 059000001 - 059001299) (1995) Toro 30610 (120) - Toro ProLine / Groundsmaster Rear-Engine Riding Mower Parts Lookup with Diagrams - Select Your Model (5) Hide
Source: www.partstree.com Toro 30610 (120) Toro ProLine RearEngine Riding Mower (SN 039000001 , Toro 30610 (120) - Toro ProLine / Groundsmaster Rear-Engine Riding Mower Parts Lookup with Diagrams - Select Your Model (5) Hide Understanding the electrical setup of lawn equipment is crucial for proper maintenance and efficient operation
Source: www.partstree.com Toro 30610 (120) Toro Proline RearEngine Riding Mower (SN 039000001 , i am having what i think might be an electrical problem with my old toro groundsmaster -proline 120 Toro 30610 (120) - Toro ProLine / Groundsmaster Rear-Engine Riding Mower Parts Lookup with Diagrams - Select Your Model (5) Hide
Source: www.jackssmallengines.com Toro 30610, Proline 120, 1995 (SN 590001591299) Parts Diagram for , I've finished reading the Toro Proline 120 Operator's Manual This section provides a comprehensive guide to the key components.
Source: www.jackssmallengines.com Toro 30610, Proline 120, 1995 (SN 591300599999) Parts Diagram for , ELECTRIC SCHEMATIC diagram and repair parts lookup for Toro 30610 (120) - Toro ProLine Rear-Engine Riding Mower (SN: 059000001 - 059001299) (1995) 30610 (120) - Toro ProLine Rear-Engine Riding Mower (SN: 049000001 - 049999999) (1994) ENGINE ASSEMBLY Parts Diagram
Source: www.youtube.com pto wiring Toro proline YouTube , This manual covers setup, operation, maintenance, and safety instructions for this traction unit, including details on its controls, hydrostatic transmission, and various attachments Understanding the electrical setup of lawn equipment is crucial for proper maintenance and efficient operation
Source: www.partstree.com Toro 30610 (120) Toro ProLine RearEngine Riding Mower (SN 059001300 , Understanding the electrical setup of lawn equipment is crucial for proper maintenance and efficient operation Toro 30610, Proline 120, 1995 (SN 591300-599999) Exploded View parts lookup by model
Source: murphyauction.com TORO PROLINE 120 ROTARY MOWER KENMORE HEAVY EQUIPMENT, CONTRACTORS , Swath Deck Optional Discharge Deck Optional Engine/Motor Manufacturer Kohler Engine/Motor Size 20 hp Engine/Motor Type 4 Cycle Engine Starter. Toro 30610 (120) - Toro ProLine / Groundsmaster Rear-Engine Riding Mower Parts Lookup with Diagrams - Select Your Model (5) Hide
Toro 30610 (120) Toro ProLine RearEngine Riding Mower (SN 059001300 . Toro 30610 (120) - Toro ProLine / Groundsmaster Rear-Engine Riding Mower Parts Lookup with Diagrams - Select Your Model (5) Hide In a Toro wiring schematic, it is typically represented by a battery or an engine
Toro 30610 (120) Toro Proline RearEngine Riding Mower (SN 059001300 . i am having what i think might be an electrical problem with my old toro groundsmaster -proline 120 30610 (120) - Toro ProLine Rear-Engine Riding Mower (SN: 049000001 - 049999999) (1994) ENGINE ASSEMBLY Parts Diagram